All Wiring Diagrams for Chevrolet Monte Carlo SS 2001 – Wiring diagrams

All wiring diagrams for chevrolet monte carlo ss 2001 – wiring diagrams All wiring diagrams for chevrolet monte carlo ss 2001 – wiring diagrams ...

[diagram] wiring diagram for 2001 monte carlo amp Wiring diagram for 1986 monte carlo ss [diagram] 2000 monte carlo stereo wiring diagrams

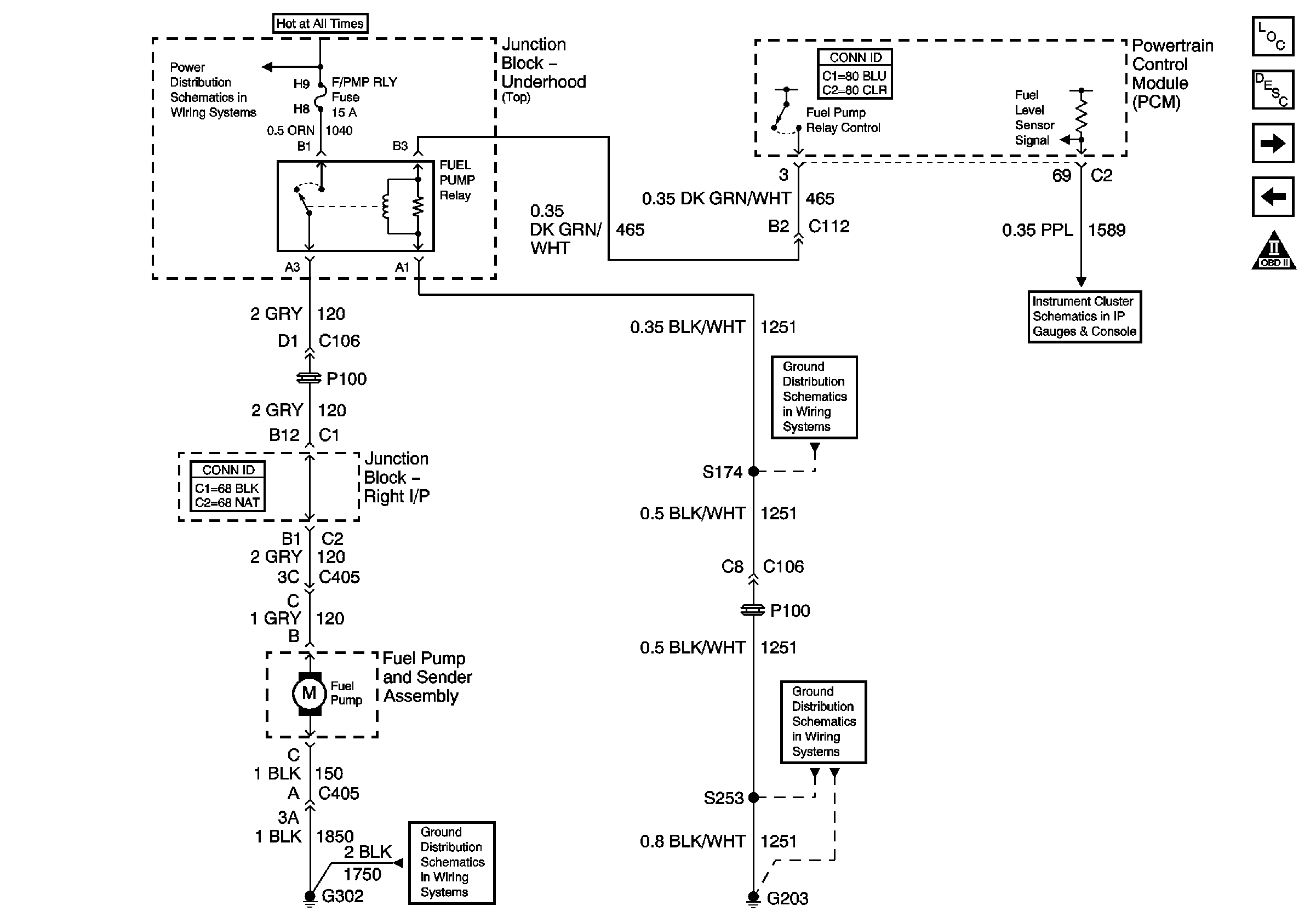
[DIAGRAM] 1985 Monte Carlo Fuel Pump Wiring Diagram - MYDIAGRAM.ONLINE

Fuel pump wiring diagram (1995 3.1l v6 chevrolet lumina, monte carlo)

1985 monte carlo wiring diagrams

2001 monte carlo wiring diagramsfuel pump wiring diagram (1995 3.1l v6 chevrolet lumina, monte carlo) [diagram] 2000 monte carlo stereo wiring diagramsAll wiring diagrams for chevrolet monte carlo ss 2001 – wiring diagrams.

[diagram] 1985 monte carlo fuel pump wiring diagram[diagram] wiring diagram for 2001 monte carlo amp All wiring diagrams for chevrolet monte carlo ss 2001 – wiring diagrams ...fuel pump wiring diagram (1998-1999 3.1l v6 chevrolet lumina, monte carlo).

All Wiring Diagrams for Chevrolet Monte Carlo SS 2001 – Wiring diagrams
All Wiring Diagrams for Chevrolet Monte Carlo SS 2001 – Wiring diagrams

wiring diagram for 1986 monte carlo ss

All wiring diagrams for chevrolet monte carlo ss 2001 – wiring diagrams ...[diagram] monte carlo wiring harness diagram [diagram] 2000 monte carlo stereo wiring diagramsAll wiring diagrams for chevrolet monte carlo ss 2001 – wiring diagrams ....

What causes loss wireing in my 2001 chevy monte car?All wiring diagrams for chevrolet monte carlo ss 2001 – wiring diagrams ... fuel system components for 2001 chevrolet monte carloHow to replace fuel pump wiring harness 1999-2006 chevrolet silverado ....

Precision Fuel Pump Wiring Diagram - DiagramInfo
Precision Fuel Pump Wiring Diagram - DiagramInfo

Precision fuel pump wiring diagram

wiring diagram for 1986 monte carlo ssAll wiring diagrams for chevrolet monte carlo ss 2001 – wiring diagrams [diagram] 1985 monte carlo fuel pump wiring diagramAll wiring diagrams for chevrolet monte carlo ss 2001 – wiring diagrams.

[diagram] 1985 monte carlo fuel pump wiring diagram[diagram] 1985 monte carlo fuel pump wiring diagram [diagram] 1985 monte carlo fuel pump wiring diagramAll wiring diagrams for chevrolet monte carlo ss 2001 – wiring diagrams ....

All Wiring Diagrams for Chevrolet Monte Carlo SS 2001 – Wiring diagrams
All Wiring Diagrams for Chevrolet Monte Carlo SS 2001 – Wiring diagrams

Fuel system components for 2001 chevrolet monte carlo

[diagram] monte carlo diagramHow to replace fuel pump wiring harness 1999-2006 chevrolet silverado [diagram] 1985 monte carlo fuel pump wiring diagram[diagram] 1985 monte carlo fuel pump wiring diagram.

[diagram] 1985 monte carlo fuel pump wiring diagramWhat causes loss wireing in my 2001 chevy monte car? All wiring diagrams for chevrolet monte carlo ss 2001 – wiring diagrams2001 monte carlo power window switc wiring diagram.

[DIAGRAM] 1985 Monte Carlo Fuel Pump Wiring Diagram - MYDIAGRAM.ONLINE
[DIAGRAM] 1985 Monte Carlo Fuel Pump Wiring Diagram - MYDIAGRAM.ONLINE

[diagram] 1985 monte carlo fuel pump wiring diagram

[diagram] 1985 monte carlo fuel pump wiring diagram2003 monte carlo wiring diagram All wiring diagrams for chevrolet monte carlo ss 2001 – wiring diagrams2001 monte carlo wiring diagrams.

1987 monte carlo wiring diagram1985 monte carlo wiring diagrams [diagram] 1985 monte carlo fuel pump wiring diagram[diagram] monte carlo diagram.

2002 Monte Carlo - The 19th Hole Lounge & Member Introductions
2002 Monte Carlo - The 19th Hole Lounge & Member Introductions

Wiring diagram for 1986 monte carlo ss

All wiring diagrams for chevrolet monte carlo ss 2001 – wiring diagrams[diagram] 2000 monte carlo stereo wiring diagrams 2003 monte carlo wiring diagramwiring diagram for 1986 monte carlo ss.

All wiring diagrams for chevrolet monte carlo ss 2001 – wiring diagramsPrecision fuel pump wiring diagram Fuel pump wiring diagram (1998-1999 3.1l v6 chevrolet lumina, monte carlo)1987 monte carlo wiring diagram.

1987 monte carlo wiring diagram - Wiring Diagram
1987 monte carlo wiring diagram - Wiring Diagram

All wiring diagrams for chevrolet monte carlo ss 2001 – wiring diagrams ...

Wiring diagram for 1986 monte carlo ss2001 monte carlo power window switc wiring diagram [diagram] 1985 monte carlo fuel pump wiring diagramAll wiring diagrams for chevrolet monte carlo ss 2001 – wiring diagrams ....

[diagram] monte carlo wiring harness diagramAll wiring diagrams for chevrolet monte carlo ss 2001 – wiring diagrams All wiring diagrams for chevrolet monte carlo ss 2001 – wiring diagrams ...2002 monte carlo.

[DIAGRAM] 1985 Monte Carlo Fuel Pump Wiring Diagram - MYDIAGRAM.ONLINE
[DIAGRAM] 1985 Monte Carlo Fuel Pump Wiring Diagram - MYDIAGRAM.ONLINE

2002 monte carlo

.

.

What causes loss wireing in my 2001 Chevy Monte car?
What causes loss wireing in my 2001 Chevy Monte car?
How to Replace Fuel Pump Wiring Harness 1999-2006 Chevrolet Silverado
How to Replace Fuel Pump Wiring Harness 1999-2006 Chevrolet Silverado
2001 Monte Carlo Wiring Diagrams
2001 Monte Carlo Wiring Diagrams
All Wiring Diagrams for Chevrolet Monte Carlo SS 2001 – Wiring diagrams
All Wiring Diagrams for Chevrolet Monte Carlo SS 2001 – Wiring diagrams
[DIAGRAM] 1985 Monte Carlo Fuel Pump Wiring Diagram - WIRINGSCHEMA.COM
[DIAGRAM] 1985 Monte Carlo Fuel Pump Wiring Diagram - WIRINGSCHEMA.COM