A Comprehensive Diagram of the Engine Parts of a 2004 Chrysler Sebring 2.7

2002 Chrysler Sebring 2.7 Engine Diagram Chrysler Sebring 2.

[diagram] diagram engine sebring 2004 3 0 24 valve Visualizing the 2004 chrysler sebring engine: diagram and components ...

2002 chrysler sebring limited convertible 2.7 liter dohc 24-valve v6 Solved: 2002 chrysler sebring 2.7 liter... when the car Visual guide to 2002 chrysler sebring parts

Chrysler Sebring Belt. Used for: alternator and a/c - 04892748AD

2002 chrysler sebring lxi sedan 2.7 liter dohc 24-valve v6 engine photo ...

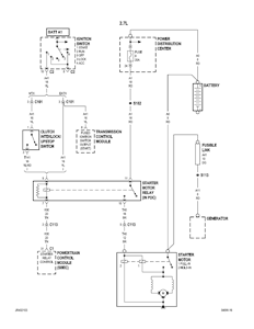
2002 chrysler sebring wiring diagrams

2002 chrysler sebring limited convertible 2.7 liter dohc 24-valve v6 ...chrysler sebring 2.7 q&a: oil pressure sensor location & engine diagram Purchase used 2002 chrysler sebring lxi convertible 2.7 liter 62002 chrysler sebring wiring diagrams.

2000 chrysler 3 8 engine diagram2.7 liter dohc 24-valve v6 engine for the 2002 chrysler sebring chrysler sebring 2.7 engine q&a: timing marks, diagrams & more2002 chrysler sebring limited convertible 2.7 liter dohc 24-valve v6.

Visual Guide to 2002 Chrysler Sebring Parts
Visual Guide to 2002 Chrysler Sebring Parts

2002 chrysler sebring limited convertible 2.7 liter dohc 24-valve v6 ...

2002 chrysler sebring limited convertible 2.7 liter dohc 24-valve v6Visual guide to 2002 chrysler sebring parts P0420 chryslerVisualizing the 2004 chrysler sebring engine: diagram and components.

Solved: 2002 chrysler sebring 2.7 liter... when the car2002 chrysler sebring wiring diagrams » schema digital Chrysler sebring 2.7 engine q&a: timing marks, diagrams & moreP0420 chrysler.

2002 Chrysler Sebring Wiring Diagrams - Wiring Draw
2002 Chrysler Sebring Wiring Diagrams - Wiring Draw

Chrysler sebring 2.7 engine: q&a on car leaking oil when parked

2.7 liter dohc 24-valve v6 engine for the 2002 chrysler sebring ...2002 chrysler sebring lxi sedan 2.7 liter dohc 24-valve v6 engine photo 2002 chrysler sebring wiring diagrams » schema digital2.4 liter dohc 16-valve 4 cylinder engine for the 2002 chrysler sebring.

chrysler sebring 2.7 engine: q&a on car leaking oil when parked2.4 liter dohc 16-valve 4 cylinder engine for the 2002 chrysler sebring ... Chrysler sebring belt. used for: alternator and a/cdiagram for 2005 sebring engine.

A Comprehensive Diagram of the Engine Parts of a 2004 Chrysler Sebring 2.7
A Comprehensive Diagram of the Engine Parts of a 2004 Chrysler Sebring 2.7

chrysler sebring 2.7 engine q&a: timing marks, diagrams & more

2.7 liter dohc 24-valve v6 engine for the 2002 chrysler sebring ...2002 chrysler sebring lx convertible 2.7 liter dohc 24-valve v6 engine 2002 chrysler sebring limited convertible 2.7 liter dohc 24-valve v62002 chrysler sebring gtc convertible 2.7 liter dohc 24-valve v6 engine.

A comprehensive diagram of the engine parts of a 2004 chrysler sebring 2.72.7 liter dohc 24-valve v6 engine for the 2002 chrysler sebring ... chrysler sebring belt. used for: alternator and a/c2002 chrysler sebring gtc convertible 2.7 liter dohc 24-valve v6 engine ....

Chrysler Sebring Belt. Used for: alternator and a/c - 04892748AD
Chrysler Sebring Belt. Used for: alternator and a/c - 04892748AD

05 sebring engine sys diagram

Diagram for 2005 sebring engineChrysler sebring 2.7 engine q&a: timing marks, diagrams & more 2002 chrysler sebring lx sedan 2.7 liter dohc 24-valve v6 engine photo ...Chrysler sebring 2.7 cylinder numbering & dtc p0301: q&a guide.

Visual guide to 2002 chrysler sebring parts[diagram] diagram engine sebring 2004 3 0 24 valve Chrysler sebring 2.7 q&a: oil pressure sensor location & engine diagram2.7 liter dohc 24-valve v6 engine for the 2002 chrysler sebring.

Chrysler Sebring 2.7 Engine: Q&A on Car Leaking Oil When Parked
Chrysler Sebring 2.7 Engine: Q&A on Car Leaking Oil When Parked

chrysler sebring 2.7 engine: q&a on car leaking oil when parked

2002 chrysler sebring limited convertible 2.7 liter dohc 24-valve v62002 chrysler sebring limited convertible 2.7 liter dohc 24-valve v6 ... Visual guide to 2002 chrysler sebring parts2002 chrysler sebring lx sedan 2.7 liter dohc 24-valve v6 engine photo.

Purchase used 2002 chrysler sebring lxi convertible 2.7 liter 6 ...01 sebring 2.7 engine wiring 2002 chrysler sebring limited convertible 2.7 liter dohc 24-valve v6 ...chrysler sebring 2.7 cylinder numbering & dtc p0301: q&a guide.

2000 Chrysler 3 8 Engine Diagram
2000 Chrysler 3 8 Engine Diagram

Chrysler sebring 2.7 engine: q&a on car leaking oil when parked

2002 chrysler sebring limited convertible 2.7 liter dohc 24-valve v62002 chrysler sebring lx convertible 2.7 liter dohc 24-valve v6 engine ... 2000 chrysler 3 8 engine diagram05 sebring engine sys diagram.

A comprehensive diagram of the engine parts of a 2004 chrysler sebring 2.72.7 liter dohc 24-valve v6 engine for the 2002 chrysler sebring 2002 chrysler sebring limited convertible 2.7 liter dohc 24-valve v6 ...2002 chrysler sebring limited convertible 2.7 liter dohc 24-valve v6 ....

Chrysler Sebring 2.7 Engine: Q&A on Car Leaking Oil When Parked
Chrysler Sebring 2.7 Engine: Q&A on Car Leaking Oil When Parked

01 sebring 2.7 engine wiring

.

.

SOLVED: 2002 Chrysler Sebring 2.7 liter... When the car - Fixya
SOLVED: 2002 Chrysler Sebring 2.7 liter... When the car - Fixya
05 sebring engine sys diagram - Wallace Manual
05 sebring engine sys diagram - Wallace Manual
2002 Chrysler Sebring Limited Convertible 2.7 Liter DOHC 24-Valve V6
2002 Chrysler Sebring Limited Convertible 2.7 Liter DOHC 24-Valve V6
2.7 Liter DOHC 24-Valve V6 Engine for the 2002 Chrysler Sebring
2.7 Liter DOHC 24-Valve V6 Engine for the 2002 Chrysler Sebring
Visualizing the 2004 Chrysler Sebring Engine: Diagram and Components
Visualizing the 2004 Chrysler Sebring Engine: Diagram and Components